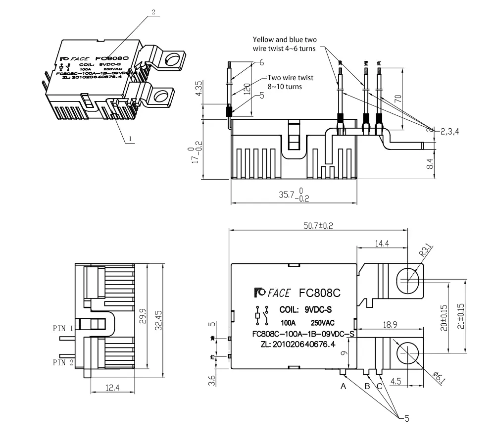
Vurdert gjeldende:100A
Drivspenningsområde:6-48V DC
Driftstemperatur:-40°C til 85°C
Materiale:høykvalitets høystyrke isolerende plast og godt tilpassede kobberkobberplater og sølvlegeringskontakter
Dimensjoner:kan tilpasses etter behov, gi detaljerte dimensjonstegninger
















