Type:100A enfaset 4P-skinnetype låserelé
Merkestrøm:100A
Drivspenning:6VDC-48VDC
Prøvemotstand:200 mikro-ohm (μΩ)
Installasjonsmetode:standard DIN-skinneinstallasjon
Driftstemperaturområde:-20°C til 60°C
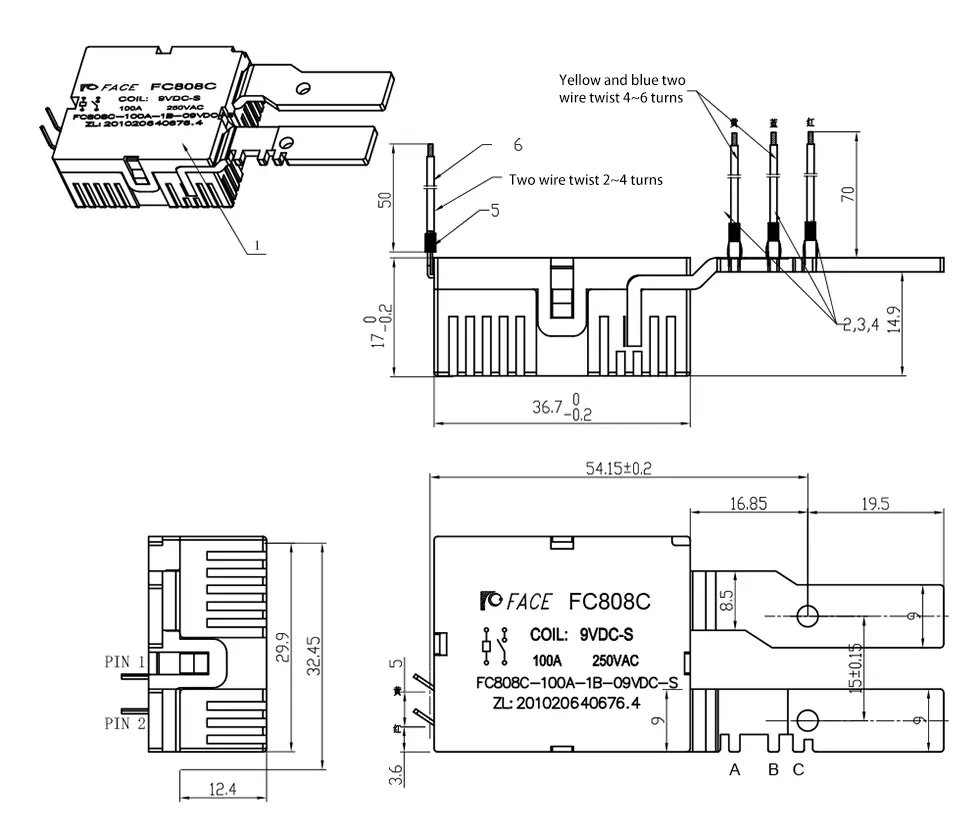
Dimensjoner:Se produkttegninger for spesifikke dimensjoner




















